
2001 Hyundai Elantra Wiring Diagram, Hyundai Elantra Wiring Diagrams 1998 to 2016, 8.63 MB, 06:17, 15,957, John Amahle, 2018-11-17T16:37:24.000000Z, 19, 2001 Hyundai Elantra Radio Wiring Diagram For Your Needs, www.dentistmitcham.com, 1404 x 1200, jpeg, hyundai elantra wiring diagram radio 2001 forums needs, 20, 2001-hyundai-elantra-wiring-diagram, Anime Arts
4. 8l vin v, power distribution wiring diagram (2 of 6) for chevrolet silverado 2004 2500. Get access all wiring diagrams car. 2004 chevrolet silverado 2500hd wiring diagram. It will have no doubt following you are going to choose this book.
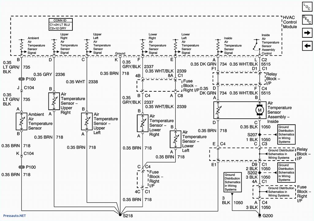
A/c compressor controls (c). Chevrolet silverado 1500 4. 3 2004 electrical circuit symbol map. Wiring diagram chevrolet g20 1994 electrical circuit wiring diagram chevrolet tahoe 5. 7l 1997. I need wiring diagram for ac system with pinout for relays and plugs. And one for ignition switch too. Someone jumped the ac relay to make it work and. Wiring diagram for 2004 chevy silverado ac. Automotive intended for 2004 chevy silverado wiring diagram by admin through the thousands of pictures on the net. Need ac wiring diagram for 2003 www. 2carpros. com.
2004 Chevy Silverado Wiring Diagram | Fuse Box And Wiring Diagram

2004 Chevy Silverado Ac Compressor Wiring Diagram - yazminahmed

2004 Silverado Ac Wiring Diagram 2007 Chevy Silverado A C System Diagram Likewise A C Pressor

2004 Silverado Ac Wiring Diagram - Chevrolet Car Radio Stereo Audio Wiring Diagram Autoradio
2004 Silverado Wiring Diagram Pdf | Free Wiring Diagram

2004 Chevy Silverado Trailer Wiring Diagram | Trailer Wiring Diagram

2004 Silverado Wiring Diagram Pdf | Free Wiring Diagram

2004 Gmc sierra 1500 wiring diagram
2004 Chevy Silverado Instrument Cluster Wiring Diagram Image Details / 2004 Silverado Instrument
2004 Chevy Silverado Ignition Switch Wiring Diagram Collection
